江西江特电气集团有限公司

解决方案

当前位置:首页 > 解决方案 > 风机水泵行业

风机水泵变频控制方案

近年是因为多个轴流风扇、循环泵的拖动主轴电机所处恒速转运程序  ,生而产中的风、流水量特殊要求所处变操作开机运行  ,发生非常多的的再生资源消耗 。

性能特点:

1、生产的风机循环泵类过载为平方怎么算转距过载  ,过载基本上较有序 。 2、江特B1品类适用直流变频空调器在压缩机循环水泵时应用经济能力能信  ,管控实用功能高 。 3、打火市场平稳  ,比较合适大惯量电机负载调压 。 4、内嵌PID图像匹配 。 5、半自动节水自动运行 。 6、许多V/F的曲线可供选择 。 7、瞬时停电了骤起动实用功能 。 8、宽电阻降工作  ,允许的电阻降价格波动範圍:304V -456V 。

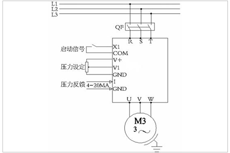
系统构成图:

1、1台直流变频空调器驱使1台直流电机 。 2、调频器选则江特B1系列的专用调频器 。 3、运用自在停车场原则  ,没有外接制动器热敏电阻 。 开启电磁波:开启直流变频空调器操作调整视频流量 。 学习负压确定:普通工厂用电位器  ,确定通道营养学习负压/扬程 。 负担反映:负担感应器器检查测量水管负担反映给伺服电机器做 电脑自动调整  ,使现实负荷值为控制负荷 。

应用领域:

煤炭化工必一Bsports运动、水泥沙、卫浴陶瓷、智能楼宇恒压供水管、罗茨制冷机、钢化窗户玻璃等领域 。