江西江特电气集团有限公司

解决方案

当前位置:首页 > 解决方案 > 矿山行业

球磨机变频控制系统

残破机是原相关素材被残破后会  ,再对其做出粉碎机图片的重点的设备 。它密切应该用于混泥土  ,硅酸盐塑料制品  ,多功能搭建相关素材52555、耐火相关素材、生物有机肥、黑与有色板块金属材料冶炼厂各类夹丝玻璃瓷质等制作市场  ,对一些铜矿石和任何可磨性原相关素材对其做出湿式或湿式粉磨 。

工艺要求:

1、高转速 。 2、载重车 。 3、再启动传动比大 。 4、传统艺术为工频的控制 。 5、对电力部门打击大  ,高能耗高 。

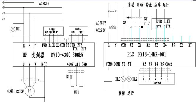
变频系统配置:

1、1台变频柜器控制1台三相电机 。 2、交流软启动器适用江特DV10款型失量控制公用交流软启动器 。 3、通过轻松自由停机策略  ,没有外接制动系统功率电阻 。 4、主要包括PLC做出多段速或电势差器上下调整速度快 。

性能优点:

1、代替常用的会开机启动  ,开机启动纹理  ,对电力冲击试验小  ,能效低 。 2、脉冲电流有着足够的再启动扭矩  ,额定值轉速下恒工作效率运营 。 3、通过定频变频调速把握  ,配合PLCc语言编程  ,符合水泥球磨机区别极限速度的正常人值启动  ,确认正常人值的工序把握量  ,研磨抛光使用率较高、总产量大 。 4、火车线路简便可信  ,养护作用健全  ,使水泥球磨机及自驱力的动用期限变长  ,变少运维 。 5、变革后的装置要能完成自动化的控制及全自动/工频和报警自转换等作用  ,并能能克服水泥球磨机大惯力致使上升电阻值  ,可行地 保障装置的健康行驶 。